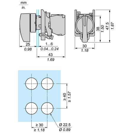
gama de produse: Harmony XB4 Tip produs sau componenta: Selector complet nume scurt al dispozitivului: XB4 material rama: Metal cromat material inel de fixare: Zamak tip cap: Standard diametrul de montaj: 22 mm cantitate indivizibila de vanzare: 1 zona cu praf: Zona 21 - 22 tip de operator: La centru revenire cu arc profil utilizator: Negru manetă lungă tip si compozitie contacte: 2 NO rezistenta la spalare cu presiune inalta: 7000000 Pa la 55 °C, distanta : 0.1 m montare dispozitiv: Gaură de fixare - diametru: 22,5 mm 22.3 +0.4/0 conformitate cu IEC 60947-1 centru de fixare: >= 30 x 40 mm (suport panou) adancime de montaj: 43 mm marcaj: Ex tb IIIC forma a capului unitatii de semnalizare: Rotund informatii de pozitie operator: 3 poziţii +/- 45° operare contacte: Decuplare lenta utilizare contacte: Contacte standard deschidere pozitiva: Fara valoare cuplu: 0,14 N.m modificarea stării electrice NO durabilitate mecanica: 3000000 cic conexiuni - borne: Borne cu surub, <= 2 x 1.5 mm² cu pini conformitate cu IEC 60947-1 Borne cu surub, >= 1 x 0.22 mm² fara terminale de cablu conformitate cu IEC 60947-1 cuplu de strangere: 0,8…1,2 N.m conformitate cu IEC 60947-1 forma a capului surubului: Cruce compatibil cu Philips nr. 1 surubelnita Cruce compatibil cu pozidriv No 1 surubelnita Perforat compatibil cu plat O 4 mm surubelnita Perforat compatibil cu plat O 5.5 mm surubelnita Material contacte: Aliaj de argint (Ag/Ni) protectie la scurtcircuit: 10 A cartuş fuzibil tip gG conformitate cu SR EN 60947-5-1 [Ith] curent termic conventional in aer liber: 10 A conformitate cu SR EN 60947-5-1 [Ui] tensiune nominala de izolatie: 600 V (grad de poluare 3) conformitate cu IEC 60947-1 [Uimp] tensiune de tinere la impuls: 6 kV conformitate cu IEC 60947-1 [Ie] curent nominal de utilizare: 3 A la 240 V, AC-15, A600 conformitate cu SR EN 60947-5-1 6 A la 120 V, AC-15, A600 conformitate cu SR EN 60947-5-1 0,1 A la 600 V, DC-13, Q600 conformitate cu SR EN 60947-5-1 0,27 A la 250 V, DC-13, Q600 conformitate cu SR EN 60947-5-1 0,55 A la 125 V, DC-13, Q600 conformitate cu SR EN 60947-5-1 1,2 A la 600 V, AC-15, A600 conformitate cu SR EN 60947-5-1 durabilitate electrica: 1000000 cic AC-15, 2 A la 230 V, rata de funcţionare 1000000 cic AC-15, 3 A la 120 V, rata de funcţionare 1000000 cic AC-15, 4 A la 24 V, rata de funcţionare 1000000 cic DC-13, 0,2 A la 110 V, rata de funcţionare 1000000 cic DC-13, 0,5 A la 24 V, rata de funcţionare securitatea electrica IEC 60947-5-4: Λ < 10exp(-6) la 5 V, 1 mA in mediu curat conformitate cu SR EN 60947-5-4 Λ < 10exp(-8) la 17 V, 5 mA in mediu curat conformitate cu SR EN 60947-5-4 tratament protector: TH temperatura ambietala pentru depozitare: -40…70 °C temperatura ambientala de functionare: -20…60 °C categorie de supratensiune: I conforming to IEC 60536 grad de protectie IP: IP65 conformitate cu SR EN 60529 grad de protectie NEMA: NEMA 13 NEMA 4X grad de protectie IK: IK06 conforming to IEC 50102 Standarde: IEC 60079-0:2009 EN 60079-31:2009 IEC 61000-6-2 IEC 60079-0:2007 IEC 60079-31:2008 directive: 94/9/EC - ATEX directive certificari produs: INERIS 04ATEX9004U rezistenta la vibratii: 5 gn (f= 2…500 Hz) conforming to IEC 60068-2-6 rezistenta la socuri: 30 gn (durata = 18 ms) pentru half sine wave acceleration conformitate cu IEC 60068-2-27 50 gn (durata = 11 ms) pentru half sine wave acceleration conformitate cu IEC 60068-2-27
Ai cumparat sau primit acest produs? Spune si altora parerea ta.
Adauga o recenzie
Pentru a adauga o recenzie, va rugam sa va
autentificati
CADOURI GARANTATE
Cumpără de minim 250 RON și primești produse cadou din partea noastră.
SOLICITARE PUBLICARE SEAP/SICAP
Cont electrician
Avem plăcerea de a-ți prezenta programul nostru dedicat electricienilor, o oportunitate de a deveni partenerul nostru la
Materiale Electrice!
Odată intrat în acest program, te vei bucura de mai multe avantaje:
Reduceri exclusive. Prin înscrierea în programul nostru, vei avea acces la reduceri pentru majoritatea
produselor noastre. Acest lucru îți va permite să economisești o sumă substanțială de bani și să le oferi clienților tăi
preturi competitive. Lista de reduceri o poti vedea in contul tau -
https://www.materialeelectrice.ro/customer/electrician-discounts
Sistem avansat de ofertare către clientul final integrat în site. Iti oferim un sistem de ofertare
personalizabil pentru a facilita comunicarea cu clienții finali. Vei putea întocmi o oferta de preț cu preturile pe care
doresti sa le oferi clientilor tai. Ai libertatea de a stabili pretul final pe care doresti sa il oferi clientului tau ( pret
situat intre pretul oficial de site si pretul tau net de achizitie.
Program de loialitate. În cadrul programului de loialitate, vei acumula puncte în contul de electrician.
Aceste puncte vor putea fi ulterior folosite pentru a achiziționa alte produse sau pentru a reduce valoarea următoarei
comenzi. În acest fel, ești recompensat pentru achizițiile făcute de pe materialeelectrice.ro.
Punctele pot fii transformate in bani. În calitate de partener, vei putea factura catre noi contravaloarea
punctelor accumulate.
Activează contul de electrician în 3 pași simpli:
Pentru a putea avea un cont de electrician pe site-ul www.materialeelectrice.ro