258,11 LEI / Buc
* pretul contine TVA
Verificare colet la livrare
Plata in 12 rate fara dobanda
Cadouri garantate la comenzi de peste 250 RON
Transport gratuit la comenzi de peste 300 RON
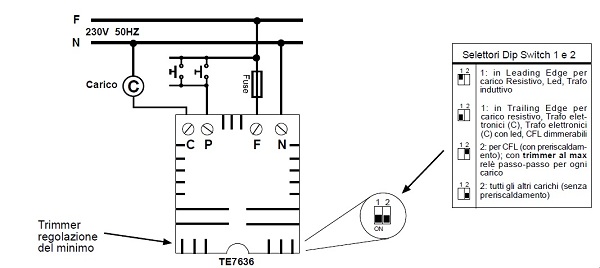
Variatorul universal se monteaza in orice doza langa butonul de comanda sau langa corpul de iluminat. Variatorul poate fi comandat din mai multe puncte prn butoane cu revenire.
Acest variator este universal si poate comanda mai multe tipuri de sursa luminoasa :
LED - max 100W
Lampi incandescente max 400W
Lampi alimentate prin transformatoare toroidale sau lamelare max 300W
Lampi alimentate prin transformatoare electronice max 300W
Lampi fluorecente dimabile max 100W
Dimmerul este dotat cu un reglaj prag de intensitate luminoasa minima.
Schema conexiuni

Pentru a adăuga o întrebare, te rugăm autentifică-te.
Nu există întrebări momentan.
Ai cumparat sau primit acest produs? Spune si altora parerea ta.
Avem plăcerea de a-ți prezenta programul nostru dedicat electricienilor, o oportunitate de a deveni partenerul nostru la Materiale Electrice!
Odată intrat în acest program, te vei bucura de mai multe avantaje:
Activează contul de electrician în 3 pași simpli:
Pentru a putea avea un cont de electrician pe site-ul www.materialeelectrice.ro
PASUL 2
Ne trimiți copie CIF la adresa
office@materialeelectrice.rode pe adresa cu care te-ai înregistrat.
PASUL 3
Primești un email de confirmare și te bucuri de prețurile tale speciale.
Rata de 21,50 LEI / luna