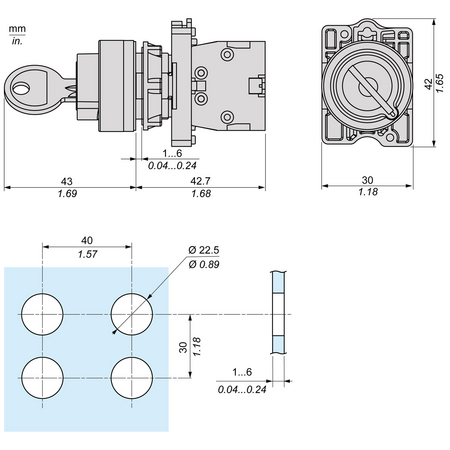
gama de produse: Easy Harmony XA2 Tip produs sau componenta: Selector complet nume scurt al dispozitivului: XA2 prezentare dispozitiv: Produs complet nume componenta: XA2E material rama: Plastic material inel de fixare: Plastic diametrul de montaj: 22,5 mm centru de fixare: >= 30 x 40 mm (panou) - grosime: 1…5 mm mod de fixare: Fixing nut 2…2,4 N.m tip de operator: revenire cu arc profil utilizator: comutator cu cheie informatii de pozitie operator: 2 pozitii 90° numar cheie: 455 pozitie de scoatere cheie: Stanga tip si compozitie contacte: 2 NO operare contacte: Decuplare lenta durabilitate mecanica: 100000 cic conexiuni - borne: , capacitate de prindere: <= 2 x 1.5 mm² , capacitate de prindere: <= 1 x 2.5 mm² , capacitate de prindere: >= 1 x 0.5 mm² Borne Faston 6.3 mm cuplu de strangere: 0,8 N.m protectie la scurtcircuit: 10 A fuzibil tip gL conformitate cu IEC 60269-1 [Ith] curent termic conventional in aer liber: 10 A [Ui] tensiune nominala de izolatie: 600 V [Uimp] tensiune de tinere la impuls: 6 kV conformitate cu IEC 60947-1 [Ie] curent nominal de utilizare: 3 A la 240 V, AC-15, A600 0,27 A la 250 V, DC-13, Q600 durabilitate electrica: 500000 cic, AC-15, 3 A la 230 V, rata de functionare 500000 cic, DC-13, 0,2 A la 110 V, rata de functionare securitatea electrica IEC 60947-5-4: Λ < 10exp(-8) la 24 V latime: 30 mm inaltime: 42 mm adancime: 85,7 mm greutate neta: 0,078 kg tip de operator: Revenire cu arc profil operator: Comutator cu cheie tip cap: Standard tratament protector: TC temperatura ambietala pentru depozitare: -40…70 °C temperatura ambientala de functionare: -20…55 °C categorie de supratensiune: Class I conforming to IEC 536 grad de protectie IP: IP54 conformitate cu SR EN 60529 grad de protectie IK: IK03 conformitate cu SR EN 60529 standarde: SR EN 60947-5-1 IEC 60947-1 GB 14048.5 GB 14048.1 certificari produs: CCC UE rezistenta la vibratii: 10 gn (f= 40…500 Hz) conforming to IEC 60068-2-6 rezistenta la socuri: 70 gn (durata = 11 ms) pentru half sine wave acceleration conformitate cu IEC 60068-2-27
Ai cumparat sau primit acest produs? Spune si altora parerea ta.
Adauga o recenzie
Pentru a adauga o recenzie, va rugam sa va
autentificati
CADOURI GARANTATE
Cumpără de minim 250 RON și primești produse cadou din partea noastră.
SOLICITARE PUBLICARE SEAP/SICAP
Cont electrician
Avem plăcerea de a-ți prezenta programul nostru dedicat electricienilor, o oportunitate de a deveni partenerul nostru la
Materiale Electrice!
Odată intrat în acest program, te vei bucura de mai multe avantaje:
Reduceri exclusive. Prin înscrierea în programul nostru, vei avea acces la reduceri pentru majoritatea
produselor noastre. Acest lucru îți va permite să economisești o sumă substanțială de bani și să le oferi clienților tăi
preturi competitive. Lista de reduceri o poti vedea in contul tau -
https://www.materialeelectrice.ro/customer/electrician-discounts
Sistem avansat de ofertare către clientul final integrat în site. Iti oferim un sistem de ofertare
personalizabil pentru a facilita comunicarea cu clienții finali. Vei putea întocmi o oferta de preț cu preturile pe care
doresti sa le oferi clientilor tai. Ai libertatea de a stabili pretul final pe care doresti sa il oferi clientului tau ( pret
situat intre pretul oficial de site si pretul tau net de achizitie.
Program de loialitate. În cadrul programului de loialitate, vei acumula puncte în contul de electrician.
Aceste puncte vor putea fi ulterior folosite pentru a achiziționa alte produse sau pentru a reduce valoarea următoarei
comenzi. În acest fel, ești recompensat pentru achizițiile făcute de pe materialeelectrice.ro.
Punctele pot fii transformate in bani. În calitate de partener, vei putea factura catre noi contravaloarea
punctelor accumulate.
Activează contul de electrician în 3 pași simpli:
Pentru a putea avea un cont de electrician pe site-ul www.materialeelectrice.ro