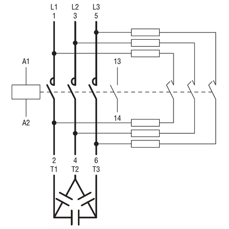
Contactor pentru baterii de compensarea factorului de putere, BFK TYPE (rezistor inclus), Tensiune maxima de lucru 400V = 15KVAR, 110VAC 50/60HZ Lovato

  • Cod: BFK1810A110
  • Producator: Lovato
  • Garantie: 24 luni

374,46 LEI / Bucata

* pretul contine TVA

Plata în 12 rate fara dobandă

Rata de 31,20 LEI / luna

Cumpara acum, plateste mai tarziu prin

Verificare colet la livrare

Plata in 12 rate fara dobanda

Cadouri garantate la comenzi de peste 250 RON

Transport gratuit la comenzi de peste 300 RON

Descriere produs

MECHANICAL RESET BUTTON, COMPLETE UNIT, diametru O22MM PLATINUM SERIES, EXTENDED. ADJUSTABLE LENGTH 0…150MM/5.9IN, RED

Beneficii pentru Electricieni

Alatura-te comunicatii noastre creandu-ti un cont de profesionist. Ai acces la:

  • Preturi preferentiale
  • Ustensile si cataloage exclusiviste
  • Adaugare in catalogul de electricieni autorizati

Întrebări despre produs

Pentru a adăuga o întrebare, te rugăm autentifică-te.

Nu există întrebări momentan.

Opiniile clientilor despre produs

Ai cumparat sau primit acest produs? Spune si altora parerea ta.

CADOURI GARANTATE

Cumpără de minim 250 RON și primești produse cadou din partea noastră.