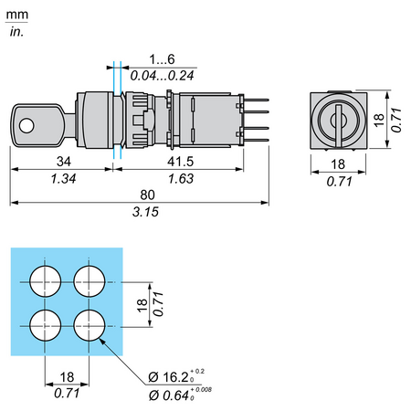
gama de produse: Harmony XB6 Tip produs sau componenta: Selector complet nume scurt al dispozitivului: XB6 material rama: Plastic diametrul de montaj: 16 mm cantitate indivizibila de vanzare: 1 pozitie de operare: Orice pozitie forma a capului unitatii de semnalizare: Patrat tip de operator: fără revenire profil utilizator: comutator cu cheie informatii de pozitie operator: 2 pozitii 70° tip de blocaj: Key 200 pozitie de scoatere cheie: In orice pozitie tip si compozitie contacte: 1 NO + 1 NC operare contacte: Decuplare lenta CAD latime globala: 18 mm CAD inaltime globala: 18 mm CAD adancime globala: 80 mm descriere borne ISO nr. 1: (13-14)NO (21-22)NC greutate neta: 0,036 kg deschidere pozitiva: Cu conformitate cu IEC 60947-5-1 anexa K durabilitate mecanica: 200000 cic conexiuni - borne: Conectori Faston, dimensiune conexiune2.8 x 0.5 mm Material contacte: Aliaj de argint (Ag/Ni) protectie la scurtcircuit: 6 A cartuş fuzibil tip gG [Ui] tensiune nominala de izolatie: 250 V (grad de poluare 3) conformitate cu IEC 60947-1 [Uimp] tensiune de tinere la impuls: 4 kV conformitate cu IEC 60947-1 [Ie] curent nominal de utilizare: 3 A la 120 V, AC-15, B300 conformitate cu SR EN 60947-5-1 1,5 A la 240 V, AC-15, B300 conformitate cu SR EN 60947-5-1 0,1 A la 250 V, DC-13, R300 conformitate cu SR EN 60947-5-1 0,22 A la 125 V, DC-13, R300 conformitate cu SR EN 60947-5-1 durabilitate electrica: 1000000 cic, AC-15 la 230 V, rata de functionare 1000000 cic, DC-13 la 230 V, rata de functionare securitatea electrica IEC 60947-5-4: Λ = 10exp(-8) la 5 V si 1 mA cu nivel de incredere 90 % conformitate cu SR EN 60947-5-4 tratament protector: TC temperatura ambietala pentru depozitare: -40…70 °C temperatura ambientala de functionare: -25…70 °C clasa de protectie la electrocutare: Clasa II conforming to IEC 61140 grad de protectie IP: IP65 conformitate cu SR EN 60529 standarde: JIS C8201-5-1 UL 60947-1 JIS C 852 IEC 60947-5-5 CSA C22.2 No 15 SR EN 60947-5-1 IEC 60947-1 JIS C8201-1 certificari produs: GOST CSA UL CCC rezistenta la vibratii: +/- 3 mm (f= 2…500 Hz) conforming to IEC 60068-2-6 5 gn (f= 2…500 Hz) conforming to IEC 60068-2-6 rezistenta la socuri: 30 gn (durata = 18 ms) pentru half sine wave acceleration conformitate cu IEC 60068-2-27 50 gn (durata = 11 ms) pentru half sine wave acceleration conformitate cu IEC 60068-2-27
Ai cumparat sau primit acest produs? Spune si altora parerea ta.
Adauga o recenzie
Pentru a adauga o recenzie, va rugam sa va
autentificati
CADOURI GARANTATE
Cumpără de minim 250 RON și primești produse cadou din partea noastră.
SOLICITARE PUBLICARE SEAP/SICAP
Cont electrician
Avem plăcerea de a-ți prezenta programul nostru dedicat electricienilor, o oportunitate de a deveni partenerul nostru la
Materiale Electrice!
Odată intrat în acest program, te vei bucura de mai multe avantaje:
Reduceri exclusive. Prin înscrierea în programul nostru, vei avea acces la reduceri pentru majoritatea
produselor noastre. Acest lucru îți va permite să economisești o sumă substanțială de bani și să le oferi clienților tăi
preturi competitive. Lista de reduceri o poti vedea in contul tau -
https://www.materialeelectrice.ro/customer/electrician-discounts
Sistem avansat de ofertare către clientul final integrat în site. Iti oferim un sistem de ofertare
personalizabil pentru a facilita comunicarea cu clienții finali. Vei putea întocmi o oferta de preț cu preturile pe care
doresti sa le oferi clientilor tai. Ai libertatea de a stabili pretul final pe care doresti sa il oferi clientului tau ( pret
situat intre pretul oficial de site si pretul tau net de achizitie.
Program de loialitate. În cadrul programului de loialitate, vei acumula puncte în contul de electrician.
Aceste puncte vor putea fi ulterior folosite pentru a achiziționa alte produse sau pentru a reduce valoarea următoarei
comenzi. În acest fel, ești recompensat pentru achizițiile făcute de pe materialeelectrice.ro.
Punctele pot fii transformate in bani. În calitate de partener, vei putea factura catre noi contravaloarea
punctelor accumulate.
Activează contul de electrician în 3 pași simpli:
Pentru a putea avea un cont de electrician pe site-ul www.materialeelectrice.ro