Releu preasamblat, Relee semiconductoare Harmony, 2A, comutare zero tensiune, socluri cu surub, intrare 16...30V CC, iesire 24...250V CA Schneider

  • Cod: SSL1A12BDPV
  • Producator: Schneider
  • Garantie: 24 luni

115,24 LEI / Buc

* pretul contine TVA

Plata în 12 rate fara dobandă

Rata de 9,60 LEI / luna

Cumpara acum, plateste mai tarziu prin

Verificare colet la livrare

Plata in 12 rate fara dobanda

Cadouri garantate la comenzi de peste 250 RON

Transport gratuit la comenzi de peste 300 RON

Descriere produs

gama de produse: Harmony Solid State Relays
nume scurt al dispozitivului: SSL
numar faze in retea: 1 fază
[Uc] tensiune circuit comanda: 16...30 V
conexiuni - borne: Conectori cu surub
output switching mode: Comutare la trecere prin zero
suport de montare: Screw socket
[In] curent nominal: 2 A
tensiune de iesire: 24...250 V c.a.
tensiune circuit de comanda: 16...30 V c.c.
CLAMPING FORCE: < 0.5 N.m
4.4 lb-in
conexiuni - borne: Flexible cable with cable end, 0.2...2.5 mm² (AWG 24 - AWG 14)
Solid cable with cable end, 0.2...2.5 mm² (AWG 24 - AWG 14)
capacitanță neechilibrată: 1,5 pF intrare/ieșire
tensiunea minima de comutare: 16 V c.c. pornit
tensiunea maximă de comutaţie: 5 V c.c. oprit
impedanta de intrare: 3.43 kOhm
iesire statica: Comutare la trecere prin zero
Ieșire SCR
curent de sarcina: 0,07…2 A
Transient Overvoltage: 600 V AC
curent de suprasarcina: 120 A pentru 16.6 ms
115 A pentru 20 ms
cadere de tensiune maxima: I²t maxim pentru ardere fuzibil: 285 A².s pentru 10 ms la 50 Hz jumătate de ciclu
260 A².s pentru 8.3 ms la 60 Hz jumătate de ciclu
curent de fuga maxim: 4 mA starea off
dV/dt: 500 V/µs starea off la tensiune maximă
timp de raspuns: 0.5 cycle (pornit)
0.5 cycle (oprit)
categorie de supratensiune: III
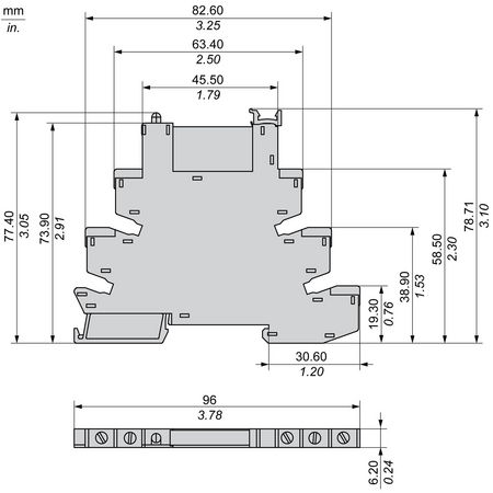
latime: 6,2 mm
inaltime: 96,5 mm
adancime: 79,5 mm
greutate neta: 0,0285 kg
prezentare dispozitiv: Produs complet
Intarziere flacara: V0 conformitate cu UL 94
rigiditate dielectrică: 2500 V pentru intrare/ieşire
Grad de poluare: 2
Standarde: IEC 60950-1
IEC 61000
IEC 62314
IEC 61984
EN 61984
certificari produs: UL
CSA
UE
UL 508
CSA22.2 No. 14-10
GOST
marcaj: CURus
CSA
CE
EAC
grad de protectie IP: IP20
temperatura ambientala de functionare: -20…70 °C
temperatura ambietala pentru depozitare: -20…85 °C

Beneficii pentru Electricieni

Alatura-te comunicatii noastre creandu-ti un cont de profesionist. Ai acces la:

  • Preturi preferentiale
  • Ustensile si cataloage exclusiviste
  • Adaugare in catalogul de electricieni autorizati

Întrebări despre produs

Pentru a adăuga o întrebare, te rugăm autentifică-te.

Nu există întrebări momentan.

Opiniile clientilor despre produs

Ai cumparat sau primit acest produs? Spune si altora parerea ta.

CADOURI GARANTATE

Cumpără de minim 250 RON și primești produse cadou din partea noastră.