Releu de Interfata, Zelio Rpm, 1 C/O, 12 V C.C., 15 A, cu Led Schneider

  • Cod: RPM12JD
  • Producator: Schneider
  • Garantie: 24 luni

22,61 LEI / Buc

* pretul contine TVA

Plata în 12 rate fara dobandă

Rata de 1,88 LEI / luna

Cumpara acum, plateste mai tarziu prin

Verificare colet la livrare

Plata in 12 rate fara dobanda

Cadouri garantate la comenzi de peste 250 RON

Transport gratuit la comenzi de peste 300 RON

Descriere produs

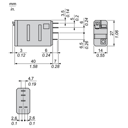
gama de produse: Harmony Electromechanical Relays
nume serie: RPM series
Tip produs sau componenta: Releu conectabil
tip si compozitie contacte: 1 C/O
tip releu: Power relay
LED de stare: Cu
tensiune circuit de comanda: 12 V c.c.
capacitate minima de comutatie: 170 mW la 10 mA, 17 V
Release time: 20 ms la tensiune nominală
temperatura ambientala de utilizare: -40…55 °C
[Ithe] curent termic conventional: 15 A la -40…55 °C
tip de control: Buton de test cu blocare
[Ie] curent nominal de utilizare: 15 A la 277 V (AC) conformitate cu UL
15 A la 28 V (DC) conformitate cu UL
15 A la 250 V (AC) nu conformitate cu IEC
15 A la 28 V (DC) nu conformitate cu IEC
7,5 A la 250 V (AC) NC conformitate cu IEC
7,5 A la 28 V (DC) NC conformitate cu IEC
Grad de protectie (doar carcasa): IP40 conforming to SR EN 60529
limite ale tensiunii nominale de functionare: 9.6...13.2 V c.c.
[Ui] tensiune nominala de izolatie: 250 V conformitate cu IEC
300 V conformitate cu CSA
300 V conformitate cu UL
tensiunea maxima de comutatie: 250 V conformitate cu IEC
prag de tensiune pentru decuplare: >= 0.1 Uc c.c.
capacitate de comutatie maxima: 3750 VA
420 W
durabilitate mecanica: 10000000 cic
durabilitate electrica: 100000 cic pentru rezistiv sarcina
fiabilitate securitate date: B10d = 100000
rata de operare: <= 1200 cicluri/oră sub sarcină
<= 18000 cicluri/oră fara sarcina
coeficient de utilizare: 20 %
rigiditate dielectrica: 1500 V c.a. intre contacte cu micro deconectare izolație
2000 V c.a. intre bobină şi contact cu ranforsat izolație
[Uimp] tensiune de tinere la impuls: 4 kV in timpul 1.2/50 µs
categorie de protectie: RT I
suport de montare: Conectare
pozitie de operare: Orice pozitie
niveluri de testare: Nivel A group mounting
prezentare dispozitiv: Produs complet
Material contacte: AgNi
forma a pinului: Flat (faston type)
greutate neta: 0,026 kg
grad de poluare: 3
standarde: CSA C22.2 No 15
IEC 61810-1
UL 60947-1
certificari produs: CSA
UL
EAC
temperatura ambietala pentru depozitare: -40…85 °C
rezistenta la vibratii: 3 gn, amplitudine = +/- 1 mm (f = 10…150 Hz)5 cicluri in funcționare
5 gn, amplitudine = +/- 1 mm (f = 10…150 Hz)5 cicluri nu funcționează
rezistenta la socuri: 15 gn pentru in functionare
30 gn pentru nu functioneaza

Beneficii pentru Electricieni

Alatura-te comunicatii noastre creandu-ti un cont de profesionist. Ai acces la:

  • Preturi preferentiale
  • Ustensile si cataloage exclusiviste
  • Adaugare in catalogul de electricieni autorizati

Întrebări despre produs

Pentru a adăuga o întrebare, te rugăm autentifică-te.

Nu există întrebări momentan.

Opiniile clientilor despre produs

Ai cumparat sau primit acest produs? Spune si altora parerea ta.

CADOURI GARANTATE

Cumpără de minim 250 RON și primești produse cadou din partea noastră.