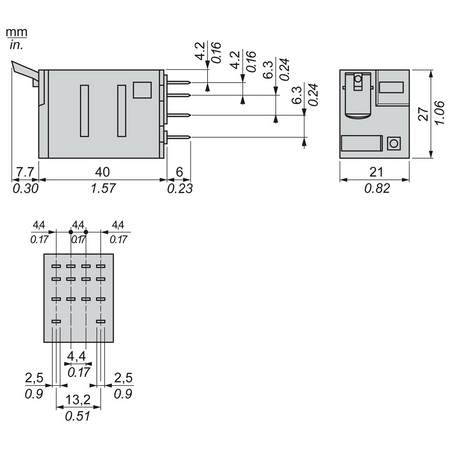
gama de produse: Harmony Electromechanical Relays nume serie: RXM series Tip produs sau componenta: Releu conectabil tip releu: Miniature relay tip si compozitie contacte: 4 C/O LED de stare: Cu tip de control: Buton de test cu blocare tensiune circuit de comanda: 48 V c.a. 50/60 Hz [Ithe] curent termic conventional: 6 A curent de iesire permanent: 5 A [Uimp] tensiune de tinere la impuls: 2,5 kV in timpul 1.2/50 µs [Ie] curent nominal de utilizare: 3 A la 28 V (DC) NC conformitate cu IEC 3 A la 250 V (AC) NC conformitate cu IEC 6 A la 28 V (DC) nu conformitate cu IEC 6 A la 250 V (AC) nu conformitate cu IEC 6 A la 277 V (AC) conformitate cu UL 8 A la 30 V (DC) conformitate cu UL capacitate minima de comutatie: 170 mW la 10 mA, 17 V durabilitate electrica: 100000 cic pentru rezistiv sarcina consum mediu bobina in VA: 1,2 la 60 Hz limite ale tensiunii nominale de functionare: 38.4...52.8 V c.a. [Ui] tensiune nominala de izolatie: 250 V conformitate cu IEC 300 V conformitate cu CSA 300 V conformitate cu UL consum mediu: 1,2 VA la 60 Hz tensiunea maxima de comutatie: 250 V conformitate cu IEC prag de tensiune pentru decuplare: >= 0.15 Uc curent de sarcina: 6 A la 250 V c.a. 6 A la 28 V c.c. timp de functionare: 20 ms capacitate de comutatie maxima: 1501 VA/168 W rezistenta medie: 710 Ohm la 20 °C +/- 15 % durabilitate mecanica: 10000000 cic fiabilitate securitate date: B10d = 100000 rata de operare: <= 1200 cicluri/oră sub sarcină <= 18000 cicluri/oră fara sarcina coeficient de utilizare: 20 % CAD inaltime globala: 82,8 mm CAD adancime globala: 80,35 mm resetare timp: 20 ms rigiditate dielectrica: 1300 V c.a. intre contacte cu micro deconectare izolație 2000 V c.a. intre bobină şi contact cu Izolatie de baza izolație 2000 V c.a. intre poli cu Izolatie de baza izolație Cod compatibilitate: RXM categorie de protectie: RT I Grad de poluare: 2 pozitie de operare: Orice pozitie niveluri de testare: Nivel A group mounting prezentare dispozitiv: Produs complet Material contacte: AgNi forma a pinului: Flat (faston type) greutate neta: 0,037 kg temperatura ambientala de utilizare: -40…55 °C grad de protectie IP: IP40 conforming to SR EN 60529 standarde: CSA C22.2 No 15 UL 60947-1 IEC 61810-1 certificari produs: UL Lloyd's UE CSA GOST IECEE CB Scheme temperatura ambietala pentru depozitare: -40…85 °C rezistenta la vibratii: 3 gn, amplitudine = +/- 1 mm (f = 10…150 Hz)5 cicluri in funcționare 5 gn, amplitudine = +/- 1 mm (f = 10…150 Hz)5 cicluri nu funcționează rezistenta la socuri: 10 gn pentru in functionare 30 gn pentru nu functioneaza
Ai cumparat sau primit acest produs? Spune si altora parerea ta.
Adauga o recenzie
Pentru a adauga o recenzie, va rugam sa va
autentificati
CADOURI GARANTATE
Cumpără de minim 250 RON și primești produse cadou din partea noastră.
SOLICITARE PUBLICARE SEAP/SICAP
Cont electrician
Avem plăcerea de a-ți prezenta programul nostru dedicat electricienilor, o oportunitate de a deveni partenerul nostru la
Materiale Electrice!
Odată intrat în acest program, te vei bucura de mai multe avantaje:
Reduceri exclusive. Prin înscrierea în programul nostru, vei avea acces la reduceri pentru majoritatea
produselor noastre. Acest lucru îți va permite să economisești o sumă substanțială de bani și să le oferi clienților tăi
preturi competitive. Lista de reduceri o poti vedea in contul tau -
https://www.materialeelectrice.ro/customer/electrician-discounts
Sistem avansat de ofertare către clientul final integrat în site. Iti oferim un sistem de ofertare
personalizabil pentru a facilita comunicarea cu clienții finali. Vei putea întocmi o oferta de preț cu preturile pe care
doresti sa le oferi clientilor tai. Ai libertatea de a stabili pretul final pe care doresti sa il oferi clientului tau ( pret
situat intre pretul oficial de site si pretul tau net de achizitie.
Program de loialitate. În cadrul programului de loialitate, vei acumula puncte în contul de electrician.
Aceste puncte vor putea fi ulterior folosite pentru a achiziționa alte produse sau pentru a reduce valoarea următoarei
comenzi. În acest fel, ești recompensat pentru achizițiile făcute de pe materialeelectrice.ro.
Punctele pot fii transformate in bani. În calitate de partener, vei putea factura catre noi contravaloarea
punctelor accumulate.
Activează contul de electrician în 3 pași simpli:
Pentru a putea avea un cont de electrician pe site-ul www.materialeelectrice.ro