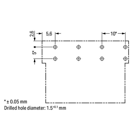
Note on Contact Resistance: approx. 1 mΩ of contact resistance approx. 0.25 mΩ contact transition plug/socket; Ratings per: IEC/EN 60664-1; Tesiune nominala (III/3): 400; V Tensiune nominala de supratensiune (III/3): 6; kV Curent nominal: 25; A Legend (ratings): (III / 3) ≙ Overvoltage category III / Pollution degree 3; Tensiune nominala UL 1977: 600; V Curent nominal UL 1977: 23; A Numar poli: 4; Total number of potentials: 4; Numar nivele: 1; Distanta intre pini: 10 mm / 0.394 inch; Latime: 37 mm / 1.457 inch; Inaltime: 18,1 mm / 0.713 inch; Inaltime de la fata: 14,6 mm / 0.575 inch; Adancime: 26 mm / 1.024 inch; Lungimea pinului de contact: 3,5; mm Solder pin dimensions: 1 x 0,8 mm; Diametrul de gaurire cu toleranta: 1,5 (-0,1 … +0,1) mm; Coding: B; Mating force of a plug-in connection: approx. 20 … 70 N (depending on pole number); Retention force of a plug-in connection: Locked: > 80 N; Unmating force of a plug-in connection: Unlocked: approx. 20 … 70 N (depending on pole number); Number of mating cycles: 200, without resistive load100, with resistive load IN = 25 A, tested (4 mm²/AWG 12); Design: angled; Marking: N ⏚ 2/L 1/L'; Potential marking: N ⏚ 2/L 1/L'; Tip contact (pluggable connector): Conector tata/fisa; Connector (connection type): for PCB; Mismating protection: Yes; Mating direction to the PCB: 0; ° Locking of plug-in connection: locking lever; Locking lever: yes; PCB contact: THT; Solder pin arrangement: 2 in-line solder pins/pole; Number of solder pins per potential: 2; Culoare: gray; Material izolator: Polyamide 66 (PA 66); Clamping spring material: Chrome nickel spring steel (CrNi); Contact material: Copper or copper alloy (surface-treated); Fire load: 0,189; MJ Greutate: 8,7; g Processing temperature: -5 … +40 °C; Continuous operating temperature: -35 … +85 °C; Note on continuous operating temperature: Insulating parts for temperatures ≤ 105 °C; Tip ambalare: BOX; Tara de origine: PL; GTIN: 4050821555476; Customs tariff number: 85366990990;
Ai cumparat sau primit acest produs? Spune si altora parerea ta.
Adauga o recenzie
Pentru a adauga o recenzie, va rugam sa va
autentificati
CADOURI GARANTATE
Cumpără de minim 250 RON și primești produse cadou din partea noastră.
SOLICITARE PUBLICARE SEAP/SICAP
Cont electrician
Avem plăcerea de a-ți prezenta programul nostru dedicat electricienilor, o oportunitate de a deveni partenerul nostru la
Materiale Electrice!
Odată intrat în acest program, te vei bucura de mai multe avantaje:
Reduceri exclusive. Prin înscrierea în programul nostru, vei avea acces la reduceri pentru majoritatea
produselor noastre. Acest lucru îți va permite să economisești o sumă substanțială de bani și să le oferi clienților tăi
preturi competitive. Lista de reduceri o poti vedea in contul tau -
https://www.materialeelectrice.ro/customer/electrician-discounts
Sistem avansat de ofertare către clientul final integrat în site. Iti oferim un sistem de ofertare
personalizabil pentru a facilita comunicarea cu clienții finali. Vei putea întocmi o oferta de preț cu preturile pe care
doresti sa le oferi clientilor tai. Ai libertatea de a stabili pretul final pe care doresti sa il oferi clientului tau ( pret
situat intre pretul oficial de site si pretul tau net de achizitie.
Program de loialitate. În cadrul programului de loialitate, vei acumula puncte în contul de electrician.
Aceste puncte vor putea fi ulterior folosite pentru a achiziționa alte produse sau pentru a reduce valoarea următoarei
comenzi. În acest fel, ești recompensat pentru achizițiile făcute de pe materialeelectrice.ro.
Punctele pot fii transformate in bani. În calitate de partener, vei putea factura catre noi contravaloarea
punctelor accumulate.
Activează contul de electrician în 3 pași simpli:
Pentru a putea avea un cont de electrician pe site-ul www.materialeelectrice.ro