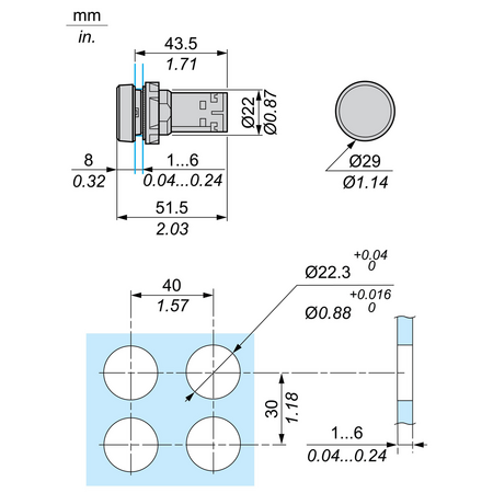
gama de produse: Harmony XB7 Tip produs sau componenta: Intrerupator cu revenire nume scurt al dispozitivului: XB7 diametrul de montaj: 22 mm cantitate indivizibila de vanzare: 10 grad de protectie IP: IP20 conformitate cu SR EN 60529 (cu spatele in faţă) IP65 conformitate cu SR EN 60529 (fata frontala) forma a capului unitatii de semnalizare: Rotund tip de operator: revenire cu arc profil utilizator: Alb Incastrat, săgeată sus (negru) tip si compozitie contacte: 1 NO conexiuni - borne: Borne cu surub, <= 2 x 1.5 mm² cu pini conformitate cu IEC 60947-1 Borne cu surub, 1 x 0.34...2 x 2.5 mm² fara terminale de cablu conformitate cu IEC 60947-1 prezentare dispozitiv: Monolithic product CAD latime globala: 29 mm CAD inaltime globala: 29 mm CAD adancime globala: 51,5 mm descriere borne ISO nr. 1: (13-14)NO greutate neta: 0,021 kg montare dispozitiv: Gaură de fixare - diametru: 22,5 mm 22.3 +0.4/0 conformitate cu IEC 60947-1 centru de fixare: >= 30 x 40 mm (suport panou) metal - grosime: 1…6 mm >= 30 x 40 mm (suport panou) plastic - grosime: 2…6 mm mod de fixare: Piuliţă de fixare sub cap 2…2,4 N.m operare contacte: Decuplare lenta deschidere pozitiva: Cu (doar ND) durabilitate mecanica: 1000000 cic cuplu de strangere: 0,8…1,2 N.m conformitate cu IEC 60947-1 forma a capului surubului: Cruce compatibil cu JIS No 1 surubelnita Cruce compatibil cu Philips nr. 1 surubelnita Cruce compatibil cu pozidriv No 1 surubelnita Perforat compatibil cu plat O 4 mm surubelnita Perforat compatibil cu plat O 5.5 mm surubelnita protectie la scurtcircuit: 4 A cartuş fuzibil tip gG conformitate cu SR EN 60947-5-1 [Ui] tensiune nominala de izolatie: 250 V (grad de poluare 3) conformitate cu IEC 60947-1 [Uimp] tensiune de tinere la impuls: 4 kV conformitate cu IEC 60947-1 [Ie] curent nominal de utilizare: 0,1 A la 250 V, DC-13, R300 conformitate cu SR EN 60947-5-1 0,22 A la 125 V, DC-13, R300 conformitate cu SR EN 60947-5-1 0,3 A la 240 V, AC-14, D300 conformitate cu SR EN 60947-5-1 0,6 A la 120 V, AC-14, D300 conformitate cu SR EN 60947-5-1 durabilitate electrica: 1000000 cic, DC-13, 0,3 A la 24 V, rata de functionare 1000000 cic, AC-15, 0,03 A la 230 V, rata de functionare 1000000 cic, AC-15, 0,09 A la 240 V, rata de functionare securitatea electrica IEC 60947-5-4: Λ <= 10exp(-6) la 17 V, 5 mA conformitate cu SR EN 60947-5-4 tratament protector: TH temperatura ambietala pentru depozitare: -40…70 °C temperatura ambientala de functionare: -25…70 °C categorie de supratensiune: Clasa II conforming to IEC 61140 Enclosure Type: Type 12 Type 3 standarde: JIS C8201-5-1 SR EN 60947-5-1 UL 60947-1 CSA C22.2 No 15 IEC 60947-1 JIS C8201-1 certificari produs: CCC GOST rezistenta la vibratii: 5 gn (f= 2…500 Hz) conforming to IEC 60068-2-6 rezistenta la socuri: 50 gn (durata = 11 ms) pentru half sine wave acceleration conformitate cu IEC 60068-2-27 30 gn (durata = 18 ms) pentru half sine wave acceleration conformitate cu IEC 60068-2-27
Ai cumparat sau primit acest produs? Spune si altora parerea ta.
Adauga o recenzie
Pentru a adauga o recenzie, va rugam sa va
autentificati
CADOURI GARANTATE
Cumpără de minim 250 RON și primești produse cadou din partea noastră.
SOLICITARE PUBLICARE SEAP/SICAP
Cont electrician
Avem plăcerea de a-ți prezenta programul nostru dedicat electricienilor, o oportunitate de a deveni partenerul nostru la
Materiale Electrice!
Odată intrat în acest program, te vei bucura de mai multe avantaje:
Reduceri exclusive. Prin înscrierea în programul nostru, vei avea acces la reduceri pentru majoritatea
produselor noastre. Acest lucru îți va permite să economisești o sumă substanțială de bani și să le oferi clienților tăi
preturi competitive. Lista de reduceri o poti vedea in contul tau -
https://www.materialeelectrice.ro/customer/electrician-discounts
Sistem avansat de ofertare către clientul final integrat în site. Iti oferim un sistem de ofertare
personalizabil pentru a facilita comunicarea cu clienții finali. Vei putea întocmi o oferta de preț cu preturile pe care
doresti sa le oferi clientilor tai. Ai libertatea de a stabili pretul final pe care doresti sa il oferi clientului tau ( pret
situat intre pretul oficial de site si pretul tau net de achizitie.
Program de loialitate. În cadrul programului de loialitate, vei acumula puncte în contul de electrician.
Aceste puncte vor putea fi ulterior folosite pentru a achiziționa alte produse sau pentru a reduce valoarea următoarei
comenzi. În acest fel, ești recompensat pentru achizițiile făcute de pe materialeelectrice.ro.
Punctele pot fii transformate in bani. În calitate de partener, vei putea factura catre noi contravaloarea
punctelor accumulate.
Activează contul de electrician în 3 pași simpli:
Pentru a putea avea un cont de electrician pe site-ul www.materialeelectrice.ro