256,95 LEI / Buc
* pretul contine TVA
Verificare colet la livrare
Plata in 12 rate fara dobanda
Cadouri garantate la comenzi de peste 250 RON
Transport gratuit la comenzi de peste 300 RON
SIRCO M sunt comutatoare modulare acţionate manual cu trei sau patru poli şi indicarea poziţiei de comutare.
Ele oferă comutarea, inversarea de surse sau permutarea a două circuite din distribuţie, la joasă tensiune, în sarcină, precum şi izolarea de siguranţă a acestora.
Curent: 25A
Nr. poli: 3
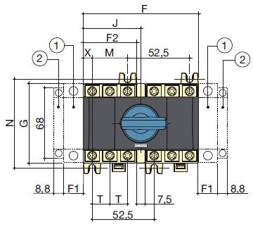
Dimensiuni:

Recomandare pentru montaj in tablou electric.

Functii :
-conectarea sau deconectarea circuitelor electrice de joasa tensiune aflate sub sarcina
-separarea circuitelor electrice de la una dintre sursele de alimentare electric , garantand comutare brusca pe sursa secundara
-utilizare ca intrerupator general
-circuit protejat poate resita la curenti de scurtcircuit mari
Caracteristici tehnice :
-tensiune nominala : cel mult 415V ; 50/60HZ
-borna racordare cu surub
-conexiune conductoare rigide sau flexibile
-anduranta electrica 5000 operatii
-anduranta mecanica 10000 operatii
-Montaj pe suprafata -fixare prin suruburi
-material plastic rezistent la UV
-Temperatura mediului ambiant 20-40 grade celsius
-posibilitatea de scoatere a levierului pe panoul frontal
-dimensiuni de gabarit reduse
-indicatie ce sursa de alimentare este folosita
-manerul rotativ se comanda separata - cod 22995012
Pentru a adăuga o întrebare, te rugăm autentifică-te.
Nu există întrebări momentan.
Ai cumparat sau primit acest produs? Spune si altora parerea ta.
Scor: 5
(1 recenzii)
buyer
11 Oct 2016Foarte util pentru selectare manuala de retele
Avem plăcerea de a-ți prezenta programul nostru dedicat electricienilor, o oportunitate de a deveni partenerul nostru la Materiale Electrice!
Odată intrat în acest program, te vei bucura de mai multe avantaje:
Activează contul de electrician în 3 pași simpli:
Pentru a putea avea un cont de electrician pe site-ul www.materialeelectrice.ro
PASUL 2
Ne trimiți copie CIF la adresa
office@materialeelectrice.rode pe adresa cu care te-ai înregistrat.
PASUL 3
Primești un email de confirmare și te bucuri de prețurile tale speciale.
Rata de 21,41 LEI / luna