Softstarter Altivar ATS430, 110A, 208 A la 600V c.a., control 110 A la 230 V c.a. Schneider

  • Cod: ATS430C11S6
  • Producator: Schneider
  • Garantie: 24 luni

9.104,91 LEI / Buc

* pretul contine TVA

Plata în 12 rate fara dobandă

Rata de 758,74 LEI / luna

Cumpara acum, plateste mai tarziu prin

Verificare colet la livrare

Plata in 12 rate fara dobanda

Cadouri garantate la comenzi de peste 250 RON

Transport gratuit la comenzi de peste 300 RON

Descriere produs

gama de produse: Altivar Soft Starter ATS430
Tip produs sau componenta: Declansator lent
destinatie produs: Motoare asincrone
aplicatie specifica produsului: Standard industrial machines
nume scurt al dispozitivului: ATS430
numar faze in retea: 3 faze
categorie de utilizare: AC-3A
AC-53A
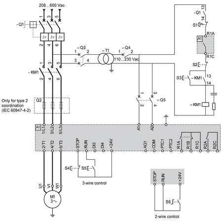
Ue power supply voltage: 208...600 V c.a. (- 15...10 %)
power supply frequency: 50...60 Hz - 20...20 %
[Ie] curent nominal de utilizare: Sarcini normale 110 A in line 40 °C)
Service factor at Ie: 100
grad de protectie IP: IP20
putere motor kW: 30 kW la 230 V in linie serviciu normal
55 kW la 400 V in linie serviciu normal
55 kW la 440 V in linie serviciu normal
75 kW la 500 V in linie serviciu normal
75 kW la 525 V in linie serviciu normal
putere motor hp: 30 CP la 208 V serviciu normal
40 CP la 230 V serviciu normal
75 CP la 460 V serviciu normal
100 CP la 575 V serviciu normal
Port protocol de comunicatie: Serial Modbus
conexiune dispozitiv: In linie
curent la suprasarcina: 400 % Ie for 13 s
factor de sarcina: 50 %
Operating cycles/hour: 10 cyc/h
[Us] control circuit voltage: 110...230 V c.a. 50...60 Hz - 15...10 %
putere aparenta: 70 VA
protectie integrata impotriva suprasarcinii motorului: Adevarat
motor thermal protection class: Clasa 10E
tip de protectie: Defect fază retea
Protectie termica retea
Protectie termica starter
Suprasarcină de curent motor
Motor underload motor
Excessive acceleration time motor
Motor phase loss detection motor
Protection against line phase inversion retea
External thermal protection motor
Short-circuit between motor phase and earth motor
current limiting %In (5 x Ie maximum): 150…700 %
[In] Rated current pwr loss specifctn: 110 A
Putere disipata curent static independent: 19 W
Putere disipata pe dispozitiv in functie de curent: 18 W
Power loss during starting: 904 W during starting at 40 °C at 400% In
standarde: EN/IEC 60947-4-2
UL 60947-4-2
SR EN 60664-1
certificari produs: cULus
UE
UKCA
CCC
RCM
EAC
KC
marcaj: CULus
CE
UKCA
CCC
RCM
EAC
KC
tensiune circuit de comanda: 24 V c.c.
numar intrare discreta: 4
tip de intrare discreta: (STOP) intrare digitala, 4.4 kOhm
(RUN) intrare digitala, 4.4 kOhm
(DI3) intrare digitala, 4.4 kOhm
(DI4) intrare digitala, 4.4 kOhm
compatibilitate intrare: STOP digital input nivel 1 PLC conformitate cu EN/IEC 61131-2
RUN digital input nivel 1 PLC conformitate cu EN/IEC 61131-2
DI3 digital input nivel 1 PLC conformitate cu EN/IEC 61131-2
DI4 digital input nivel 1 PLC conformitate cu EN/IEC 61131-2
logica de intrare discreta: Intrare digitala STOP 0...< 5 V şi <= 2 mA > 11 V, >= 5 mA
Intrare digitala RUN 0...< 5 V şi <= 2 mA > 11 V, >= 5 mA
Intrare digitala DI3 0...< 5 V şi <= 2 mA > 11 V, >= 5 mA
Intrare digitala DI4 0...< 5 V şi <= 2 mA > 11 V, >= 5 mA
numarul iesirii releu: 2
tip releu iesire: Ieşiri releu R1A, R1C nu
Ieşiri releu R1B, R1C NC
Ieşiri releu R2A, R2C nu
curentul minim de comutare: 100 mA la 12 V c.c. pentru ieşiri releu
curent maxim de comutatie: Ieşiri releu 2 A / 250 V c.a. for AC-15 100000 cic following SR EN 60947-5-1
Ieşiri releu 2 A / 30 V c.c. for DC-13 150000 cic following SR EN 60947-5-1
numarul intrarii analogice: 1
tip de intrare analogica: PTC1 : PTC temperature probe
PTC2 : PTC temperature probe
numarul iesirii analogice: 1
tip iesire analogica: Curent de ieşire AQ1 : 0...20 mA/4...20 mA , impedance< 500 Ohm
Voltage output AQ1 : 0...10 V , impedance> 470 Ohm
protocol port de comunicare: Serial Modbus RJ45
Serial Modbus open style (DO, D1, PE, COM)
tipul conectorului: 1 RJ45
Open style
interfata fizica: RS 485 cu 2 fire - conectori: RJ45
RS 485 cu 2 fire - conectori: open style (DO, D1, PE, COM)
cadrul de transmisie: RTU : 1 RJ45
RTU : open style (DO, D1, PE, COM)
rata de transmisie: 4.8…38.4 kbps for serial Modbus RJ45
0.3...115.2 kbps for serial Modbus open style (DO, D1, PE, COM)
format data: 8 bits, odd, even or no parity, 1 or 2 bits to stop for serial Modbus RJ45
8 biti, configurabil impar, par sau fara paritate for serial Modbus open style (DO, D1, PE, COM)
numar de adrese: 0…247 pentru serial Modbus
metoda de acces: Slave serial Modbus
tip de polarizare: Fara impedanta pentru serial Modbus
ecran de afisare disponibil: Adevarat
pozitie de operare: Vertical +/- 10 grade
inaltime: 289 mm
latime: 160 mm
adancime: 230,2 mm
greutate neta: 6,60 kg
Bypass intern: Adevarat
functie disponibila: Directie unica
Preincalzire
Power monitoring
Condition monitoring
Gestionarea utilizatorilor
Intarirea porturilor si a serviciilor
Inregistrarea evenimentelor de securitate
Actualizare firmware securizata cibernetic
Small motor test
Declaratie privind materialele: Adevarat
compatibilitate electromagnetica: Emisii conduse şi radiate nivel A conforming to IEC 60947-4-2
Descărcare electrostatică nivel 3 conforming to IEC 61000-4-2
Imunitate la interferenţe radioelectrice radiate nivel 3 conforming to IEC 61000-4-3
Imunitate la tranzienţi electrici nivel 4 conforming to IEC 61000-4-4
Impuls de tensiune/curent nivel 3 conforming to IEC 61000-4-5
Unde oscilante amortizate nivel 3 conforming to IEC 61000-4-18
Immunity to conducted disturbances radio-frequency nivel 3 conforming to IEC 61000-4-6
Grad de poluare: Nivel 3
[Uimp] tensiune nominala de tinere la impuls: 6 kV
[Ui] tensiunea nominala de izolatie: 600 V
clasa de mediu (in timpul functionarii): Clasa 3C3 in conformitate cu IEC 60721-3-3-3
Class 3S3 according to IEC 60721-3-3
temperatura ambientala de utilizare: -25…40 °C (fără declasare)
40…60 °C (with current derating of 1 % per °C above 40 °C)
temperatura ambietala pentru depozitare: -40…70 °C
Temperatura de transport a aerului ambiental: -40…70 °C
altitudinea de functionare: <= 2000 m fără declasare
> 2000...4800 m with current derating 1 % per 100 m above 2000 m
umiditate relativa: 5…95 % fără condens sau picături de apă conformitate cu EN/IEC 60068-2-3
deformarea maxima sub sarcină vibratorie (in timpul functionarii): 1.5 mm la 2...13 Hz
deformarea maxima sub sarcina vibratorie (in timpul depozitarii): 1.75 mm la 2...9 Hz
deformarea maxima sub sarcina vibratorie (in timpul transportului): 1.75 mm la 2...9 Hz
acceleratia maxima sub tensiune de vibratie (in timpul functionarii): 1 gn at 13…200 Hz
acceleratia maxima sub sarcina vibratorie (in timpul depozitarii): 1 gn at 9…200 Hz
1.5 gn at 200…500 Hz
acceleratia maxima sub sarcina vibratorie (in timpul transportului): 1 gn at 9…200 Hz
1.5 gn at 200…500 Hz
acceleratia maxima in cazul unui impact de soc (in timpul functionarii): 15 gn at 11 ms
acceleratia maxima sub sarcina de soc (in timpul depozitarii): 10 gn at 11 ms
acceleratia maxima sub sarcina de soc (in timpul transportului): 10 gn at 11 ms

Beneficii pentru Electricieni

Alatura-te comunicatii noastre creandu-ti un cont de profesionist. Ai acces la:

  • Preturi preferentiale
  • Ustensile si cataloage exclusiviste
  • Adaugare in catalogul de electricieni autorizati

Întrebări despre produs

Pentru a adăuga o întrebare, te rugăm autentifică-te.

Nu există întrebări momentan.

Opiniile clientilor despre produs

Ai cumparat sau primit acest produs? Spune si altora parerea ta.

CADOURI GARANTATE

Cumpără de minim 250 RON și primești produse cadou din partea noastră.