58,20 LEI / Buc
* pretul contine TVA
Verificare colet la livrare
Plata in 12 rate fara dobanda
Cadouri garantate la comenzi de peste 250 RON
Transport gratuit la comenzi de peste 300 RON
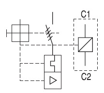
Bobina de declansare
Caracteristici tehnice:
Performante tehnice generale:
Din gama de produse mai fac parte:

Pentru a adăuga o întrebare, te rugăm autentifică-te.
Nu există întrebări momentan.
Ai cumparat sau primit acest produs? Spune si altora parerea ta.
Avem plăcerea de a-ți prezenta programul nostru dedicat electricienilor, o oportunitate de a deveni partenerul nostru la Materiale Electrice!
Odată intrat în acest program, te vei bucura de mai multe avantaje:
Activează contul de electrician în 3 pași simpli:
Pentru a putea avea un cont de electrician pe site-ul www.materialeelectrice.ro
PASUL 2
Ne trimiți copie CIF la adresa
office@materialeelectrice.rode pe adresa cu care te-ai înregistrat.
PASUL 3
Primești un email de confirmare și te bucuri de prețurile tale speciale.
Rata de 4,85 LEI / luna