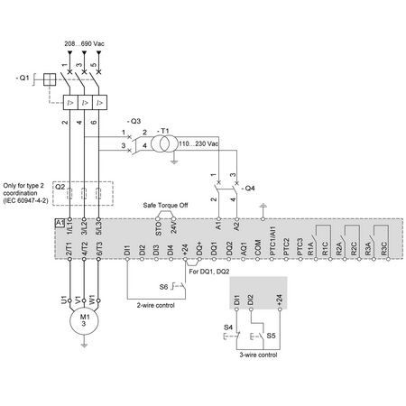
gama de produse: Altivar Soft Starter ATS490 Tip produs sau componenta: Declansator lent destinatie produs: Motoare asincrone aplicatie specifica produsului: Proces și infrastructuri nume scurt al dispozitivului: ATS490 numar faze in retea: 3 faze categorie de utilizare: AC-3A AC-53A Ue power supply voltage: 208...690 V c.a. (- 15...10 %) power supply frequency: 50...60 Hz - 20...20 % [Ie] curent nominal de utilizare: Sarcini normale 250 A in line 40 °C) Service factor at Ie: 100 rated current in heavy duty: 210 A at 40 °C pentru Sarcini grele grad de protectie IP: IP00 putere motor kW: 75 kW la 230 V In linia de alimentare a motorului serviciu normal 132 kW la 400 V In linia de alimentare a motorului serviciu normal 132 kW la 440 V In linia de alimentare a motorului serviciu normal 160 kW la 500 V In linia de alimentare a motorului serviciu normal 160 kW la 525 V In linia de alimentare a motorului serviciu normal 220 kW la 660 V In linia de alimentare a motorului serviciu normal 250 kW la 690 V In linia de alimentare a motorului serviciu normal 55 kW la 230 V In linia de alimentare a motorului pentru sarcini grele 110 kW la 400 V In linia de alimentare a motorului pentru sarcini grele 110 kW la 440 V In linia de alimentare a motorului pentru sarcini grele 132 kW la 500 V In linia de alimentare a motorului pentru sarcini grele 132 kW la 525 V In linia de alimentare a motorului pentru sarcini grele 160 kW la 660 V In linia de alimentare a motorului pentru sarcini grele 200 kW la 690 V In linia de alimentare a motorului pentru sarcini grele 132 kW la 230 V la bornele delta ale motorului serviciu normal 220 kW la 400 V la bornele delta ale motorului serviciu normal 110 kW la 230 V la bornele delta ale motorului pentru sarcini grele 160 kW la 400 V la bornele delta ale motorului pentru sarcini grele putere motor hp: 75 CP la 208 V serviciu normal 100 CP la 230 V serviciu normal 200 CP la 460 V serviciu normal 250 CP la 575 V serviciu normal 60 CP la 208 V pentru sarcini grele 75 CP la 230 V pentru sarcini grele 150 CP la 460 V pentru sarcini grele 200 CP la 575 V pentru sarcini grele cu functia de siguranta Safe torque off (STO): Adevarat Safe Torque Off (STO): STO (safe torque off): SIL 1 conforming to IEC 61508 STO (safe torque off): PL c/category 2 conforming to ISO 13849 Cybersecurity functions: Adevarat Cybersecurity level and standard: Security level (SL) 1 conformitate cu IEC 62443-4-2 Port protocol de comunicatie: Serial Modbus Modbus TCP/EtherNet/IP card optional: Modul de comunicare pentru reţea CANopen Modul de comunicare pentru CANopen Sub-D Modul de comunicare pentru stil deschis CANopen Modul de comunicare pentru Profibus DP V1 Modul de comunicare pentru PROFINET conexiune dispozitiv: In linia de alimentare a motorului Inside delta Overload current profile: 400 % Ie for 13 s factor de sarcina: 50 % Operating cycles/hour: 10 cyc/h [Us] control circuit voltage: 110...230 V c.a. 50...60 Hz - 15...10 % putere aparenta: 90 VA protectie integrata impotriva suprasarcinii motorului: Adevarat motor thermal protection class: Clasa 10E tip de protectie: Defect fază retea Protectie termica starter Protectie termica motor Suprasarcină de curent motor Motor underload motor Excessive acceleration time motor Motor phase loss detection motor Protection against line phase inversion retea External thermal protection motor Protection delta inside wiring starter Short-circuit between motor phase and earth motor current limiting %In (5 x Ie maximum): 150…700 % [In] Rated current pwr loss specifctn: 250 A Putere disipata curent static independent: 19 W Putere disipata pe dispozitiv in functie de curent: 64 W Power loss during starting: 3034 W during starting at 40 °C at 400% Ie standarde: EN/IEC 60947-4-2 UL 60947-4-2 SR EN 60664-1 certificari produs: UE cULus UKCA RCM CCC DNV ATEX EAC KC marcaj: CE CULus UKCA RCM CCC ATEX EAC KC tensiune circuit de comanda: 24 V c.c. numar intrare discreta: 5 tip de intrare discreta: (DI1) intrare digitala, 4.4 kOhm (DI2) intrare digitala, 4.4 kOhm (DI3) intrare digitala, 4.4 kOhm (DI4) intrare digitala, 4.4 kOhm (STO) intrare digitala, > 1 kOhm compatibilitate intrare: DI1 intrare directă nivel 1 PLC conformitate cu EN/IEC 61131-2 DI2 intrare directă nivel 1 PLC conformitate cu EN/IEC 61131-2 DI3 intrare directă nivel 1 PLC conformitate cu EN/IEC 61131-2 DI4 intrare directă nivel 1 PLC conformitate cu EN/IEC 61131-2 STO intrare directă nivel 1 PLC conformitate cu EN/IEC 61131-2 logica de intrare discreta: Intrare digitala DI1 0...< 5 V şi <= 2 mA > 11 V, >= 5 mA Intrare digitala DI2 0...< 5 V şi <= 2 mA > 11 V, >= 5 mA Intrare digitala DI3 0...< 5 V şi <= 2 mA > 11 V, >= 5 mA Intrare digitala DI4 0...< 5 V şi <= 2 mA > 11 V, >= 5 mA Intrare digitala STO 0...< 5 V şi <= 2 mA > 11 V, >= 5 mA numarul iesirii releu: 3 tip releu iesire: Ieşiri releu R1A, R1C nu Ieşiri releu R2A, R2C nu Ieşiri releu R3A, R3C nu curentul minim de comutare: 100 mA la 12 V c.c. pentru ieşiri releu curent maxim de comutatie: Ieşiri releu 2 A / 250 V c.a. for AC-15 100000 cic following SR EN 60947-5-1 Ieşiri releu 2 A / 30 V c.c. for DC-13 150000 cic following SR EN 60947-5-1 numar iesire discreta: 2 tip de iesire discreta: Iesire digitala programabila DQ1 <= 30 V 100 mA Iesire digitala programabila DQ2 <= 30 V 100 mA sistem de control acces: Colector deschis level 1 PLC conformitate cu IEC 65A-68 numarul intrarii analogice: 1 tip de intrare analogica: AI1/PTC1 : PTC/PT 100/PT 1000/KTY84 temperature probe PTC2 : PTC/PT 100/PT 1000/KTY84 temperature probe PTC3 : PTC/PT 100/PT 1000/KTY84 temperature probe numarul iesirii analogice: 1 tip iesire analogica: Curent de ieşire AQ1 : 0...20 mA/4...20 mA , impedance< 500 Ohm Voltage output AQ1 : 0...10 V , impedance> 470 Ohm protocol port de comunicare: Serial Modbus Modbus TCP/EtherNet/IP tipul conectorului: 1 RJ45 for connecting Modbus serial 1 RJ45 for connecting Modbus TCP/EtherNet/IP interfata fizica: RS 485 cu 2 fire 100-BASE-TX category 5 or industrial Ethernet cadrul de transmisie: RTU TCP/UDP rata de transmisie: 4.8…38.4 kbps 100 BASE TX format date: 8 bits, configurable odd, even or no parity 1or 2 stop numar de adrese: 0…247 pentru serial Modbus metoda de acces: Slave serial Modbus tip de polarizare: Fara impedanta pentru serial Modbus ecran de afisare disponibil: Adevarat pozitie de operare: Vertical +/- 10 grade inaltime: 443 mm latime: 206 mm adancime: 265 mm greutate neta: 19 kg Bypass intern: Adevarat functie disponibila: Preincalzire Extractia fumului Al doilea set de parametrii motor Deceleration with torque control Braking Boost Line contactor control Reverse contactor control Anti-jam Jog Borehole pump starting Condition monitoring Power monitoring Actualizare firmware securizata cibernetic Declaratie privind materialele: Adevarat compatibilitate electromagnetica: Emisii conduse şi radiate nivel A conforming to IEC 60947-4-2 Unde oscilante amortizate nivel 3 conforming to IEC 61000-4-18 Descărcare electrostatică nivel 3 conforming to IEC 61000-4-2 Imunitate la tranzienţi electrici nivel 4 conforming to IEC 61000-4-4 Imunitate la interferenţe radioelectrice radiate nivel 3 conforming to IEC 61000-4-3 Impuls de tensiune/curent nivel 3 conforming to IEC 61000-4-5 Imunitate la interferenţe conduse cauzate de campurile radioelectrice nivel 3 conforming to EN/IEC 61000-4-6 Grad de poluare: Nivel 3 [Uimp] tensiune nominala de tinere la impuls: 6 kV [Ui] tensiunea nominala de izolatie: 690 V clasa de mediu (in timpul functionarii): Clasa 3C3 in conformitate cu IEC 60721-3-3-3 Class 3S3 according to IEC 60721-3-3 temperatura ambientala de utilizare: -25…40 °C (fără declasare) 40…60 °C (with current derating of 1 % per °C above 40 °C) temperatura ambietala pentru depozitare: -40…70 °C Temperatura de transport a aerului ambiental: -40…70 °C altitudinea de functionare: <= 2000 m fără declasare > 2000...4800 m with current derating 1 % per 100 m above 2000 m umiditate relativa: 5…95 % fără condens sau picături de apă conformitate cu EN/IEC 60068-2-3 deformarea maxima sub sarcină vibratorie (in timpul functionarii): 1.5 mm la 2...13 Hz deformarea maxima sub sarcina vibratorie (in timpul depozitarii): 1.75 mm la 2...9 Hz deformarea maxima sub sarcina vibratorie (in timpul transportului): 1.75 mm la 2...9 Hz acceleratia maxima sub tensiune de vibratie (in timpul functionarii): 1 gn at 13…200 Hz acceleratia maxima sub sarcina vibratorie (in timpul depozitarii): 1 gn at 9…200 Hz 1.5 gn at 200…500 Hz acceleratia maxima sub sarcina vibratorie (in timpul transportului): 1 gn at 9…200 Hz 1.5 gn at 200…500 Hz acceleratia maxima in cazul unui impact de soc (in timpul functionarii): 15 gn at 11 ms acceleratia maxima sub sarcina de soc (in timpul depozitarii): 10 gn at 11 ms acceleratia maxima sub sarcina de soc (in timpul transportului): 10 gn at 11 ms
Ai cumparat sau primit acest produs? Spune si altora parerea ta.
Adauga o recenzie
Pentru a adauga o recenzie, va rugam sa va
autentificati
CADOURI GARANTATE
Cumpără de minim 250 RON și primești produse cadou din partea noastră.
SOLICITARE PUBLICARE SEAP/SICAP
Cont electrician
Avem plăcerea de a-ți prezenta programul nostru dedicat electricienilor, o oportunitate de a deveni partenerul nostru la
Materiale Electrice!
Odată intrat în acest program, te vei bucura de mai multe avantaje:
Reduceri exclusive. Prin înscrierea în programul nostru, vei avea acces la reduceri pentru majoritatea
produselor noastre. Acest lucru îți va permite să economisești o sumă substanțială de bani și să le oferi clienților tăi
preturi competitive. Lista de reduceri o poti vedea in contul tau -
https://www.materialeelectrice.ro/customer/electrician-discounts
Sistem avansat de ofertare către clientul final integrat în site. Iti oferim un sistem de ofertare
personalizabil pentru a facilita comunicarea cu clienții finali. Vei putea întocmi o oferta de preț cu preturile pe care
doresti sa le oferi clientilor tai. Ai libertatea de a stabili pretul final pe care doresti sa il oferi clientului tau ( pret
situat intre pretul oficial de site si pretul tau net de achizitie.
Program de loialitate. În cadrul programului de loialitate, vei acumula puncte în contul de electrician.
Aceste puncte vor putea fi ulterior folosite pentru a achiziționa alte produse sau pentru a reduce valoarea următoarei
comenzi. În acest fel, ești recompensat pentru achizițiile făcute de pe materialeelectrice.ro.
Punctele pot fii transformate in bani. În calitate de partener, vei putea factura catre noi contravaloarea
punctelor accumulate.
Activează contul de electrician în 3 pași simpli:
Pentru a putea avea un cont de electrician pe site-ul www.materialeelectrice.ro