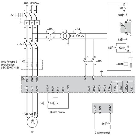
gama de produse: Altivar Soft Starter ATS430 Tip produs sau componenta: Declansator lent destinatie produs: Motoare asincrone aplicatie specifica produsului: Standard industrial machines nume scurt al dispozitivului: ATS430 numar faze in retea: 3 faze categorie de utilizare: AC-3A AC-53A Ue power supply voltage: 208...600 V c.a. (- 15...10 %) power supply frequency: 50...60 Hz - 20...20 % [Ie] curent nominal de utilizare: Sarcini normale 32 A in line 40 °C) Service factor at Ie: 100 grad de protectie IP: IP20 putere motor kW: 7,5 kW la 230 V in linie serviciu normal 15 kW la 400 V in linie serviciu normal 15 kW la 440 V in linie serviciu normal 18,5 kW la 500 V in linie serviciu normal 18,5 kW la 525 V in linie serviciu normal putere motor hp: 7,5 CP la 208 V serviciu normal 10 CP la 230 V serviciu normal 20 CP la 460 V serviciu normal 25 CP la 575 V serviciu normal Port protocol de comunicatie: Serial Modbus conexiune dispozitiv: In linie curent la suprasarcina: 400 % Ie for 13 s factor de sarcina: 50 % Operating cycles/hour: 10 cyc/h [Us] control circuit voltage: 110...230 V c.a. 50...60 Hz - 15...10 % putere aparenta: 70 VA protectie integrata impotriva suprasarcinii motorului: Adevarat motor thermal protection class: Clasa 10E tip de protectie: Defect fază retea Protectie termica retea Protectie termica starter Suprasarcină de curent motor Motor underload motor Excessive acceleration time motor Motor phase loss detection motor Protection against line phase inversion retea External thermal protection motor Short-circuit between motor phase and earth motor current limiting %In (5 x Ie maximum): 150…700 % [In] Rated current pwr loss specifctn: 32 A Putere disipata curent static independent: 19 W Putere disipata pe dispozitiv in functie de curent: 6 W Power loss during starting: 281 W during starting at 40 °C at 400% In standarde: EN/IEC 60947-4-2 UL 60947-4-2 SR EN 60664-1 certificari produs: cULus UE UKCA CCC RCM EAC KC marcaj: CULus CE UKCA CCC RCM EAC KC tensiune circuit de comanda: 24 V c.c. numar intrare discreta: 4 tip de intrare discreta: (STOP) intrare digitala, 4.4 kOhm (RUN) intrare digitala, 4.4 kOhm (DI3) intrare digitala, 4.4 kOhm (DI4) intrare digitala, 4.4 kOhm compatibilitate intrare: STOP digital input nivel 1 PLC conformitate cu EN/IEC 61131-2 RUN digital input nivel 1 PLC conformitate cu EN/IEC 61131-2 DI3 digital input nivel 1 PLC conformitate cu EN/IEC 61131-2 DI4 digital input nivel 1 PLC conformitate cu EN/IEC 61131-2 logica de intrare discreta: Intrare digitala STOP 0...< 5 V şi <= 2 mA > 11 V, >= 5 mA Intrare digitala RUN 0...< 5 V şi <= 2 mA > 11 V, >= 5 mA Intrare digitala DI3 0...< 5 V şi <= 2 mA > 11 V, >= 5 mA Intrare digitala DI4 0...< 5 V şi <= 2 mA > 11 V, >= 5 mA numarul iesirii releu: 2 tip releu iesire: Ieşiri releu R1A, R1C nu Ieşiri releu R1B, R1C NC Ieşiri releu R2A, R2C nu curentul minim de comutare: 100 mA la 12 V c.c. pentru ieşiri releu curent maxim de comutatie: Ieşiri releu 2 A / 250 V c.a. for AC-15 100000 cic following SR EN 60947-5-1 Ieşiri releu 2 A / 30 V c.c. for DC-13 150000 cic following SR EN 60947-5-1 numarul intrarii analogice: 1 tip de intrare analogica: PTC1 : PTC temperature probe PTC2 : PTC temperature probe numarul iesirii analogice: 1 tip iesire analogica: Curent de ieşire AQ1 : 0...20 mA/4...20 mA , impedance< 500 Ohm Voltage output AQ1 : 0...10 V , impedance> 470 Ohm protocol port de comunicare: Serial Modbus RJ45 Serial Modbus open style (DO, D1, PE, COM) tipul conectorului: 1 RJ45 Open style interfata fizica: RS 485 cu 2 fire - conectori: RJ45 RS 485 cu 2 fire - conectori: open style (DO, D1, PE, COM) cadrul de transmisie: RTU : 1 RJ45 RTU : open style (DO, D1, PE, COM) rata de transmisie: 4.8…38.4 kbps for serial Modbus RJ45 0.3...115.2 kbps for serial Modbus open style (DO, D1, PE, COM) format data: 8 bits, odd, even or no parity, 1 or 2 bits to stop for serial Modbus RJ45 8 biti, configurabil impar, par sau fara paritate for serial Modbus open style (DO, D1, PE, COM) numar de adrese: 0…247 pentru serial Modbus metoda de acces: Slave serial Modbus tip de polarizare: Fara impedanta pentru serial Modbus ecran de afisare disponibil: Adevarat pozitie de operare: Vertical +/- 10 grade inaltime: 273 mm latime: 130 mm adancime: 169 mm greutate neta: 2,90 kg Bypass intern: Adevarat functie disponibila: Directie unica Preincalzire Power monitoring Condition monitoring Gestionarea utilizatorilor Intarirea porturilor si a serviciilor Inregistrarea evenimentelor de securitate Actualizare firmware securizata cibernetic Small motor test Declaratie privind materialele: Adevarat compatibilitate electromagnetica: Emisii conduse şi radiate nivel A conforming to IEC 60947-4-2 Descărcare electrostatică nivel 3 conforming to IEC 61000-4-2 Imunitate la interferenţe radioelectrice radiate nivel 3 conforming to IEC 61000-4-3 Imunitate la tranzienţi electrici nivel 4 conforming to IEC 61000-4-4 Impuls de tensiune/curent nivel 3 conforming to IEC 61000-4-5 Unde oscilante amortizate nivel 3 conforming to IEC 61000-4-18 Immunity to conducted disturbances radio-frequency nivel 3 conforming to IEC 61000-4-6 Grad de poluare: Nivel 3 [Uimp] tensiune nominala de tinere la impuls: 6 kV [Ui] tensiunea nominala de izolatie: 600 V clasa de mediu (in timpul functionarii): Clasa 3C3 in conformitate cu IEC 60721-3-3-3 Class 3S3 according to IEC 60721-3-3 temperatura ambientala de utilizare: -25…40 °C (fără declasare) 40…60 °C (with current derating of 1 % per °C above 40 °C) temperatura ambietala pentru depozitare: -40…70 °C Temperatura de transport a aerului ambiental: -40…70 °C altitudinea de functionare: <= 2000 m fără declasare > 2000...4800 m with current derating 1 % per 100 m above 2000 m umiditate relativa: 5…95 % fără condens sau picături de apă conformitate cu EN/IEC 60068-2-3 deformarea maxima sub sarcină vibratorie (in timpul functionarii): 1.5 mm la 2...13 Hz deformarea maxima sub sarcina vibratorie (in timpul depozitarii): 1.75 mm la 2...9 Hz deformarea maxima sub sarcina vibratorie (in timpul transportului): 1.75 mm la 2...9 Hz acceleratia maxima sub tensiune de vibratie (in timpul functionarii): 1 gn at 13…200 Hz acceleratia maxima sub sarcina vibratorie (in timpul depozitarii): 1 gn at 9…200 Hz 1.5 gn at 200…500 Hz acceleratia maxima sub sarcina vibratorie (in timpul transportului): 1 gn at 9…200 Hz 1.5 gn at 200…500 Hz acceleratia maxima in cazul unui impact de soc (in timpul functionarii): 15 gn at 11 ms acceleratia maxima sub sarcina de soc (in timpul depozitarii): 10 gn at 11 ms acceleratia maxima sub sarcina de soc (in timpul transportului): 10 gn at 11 ms
Ai cumparat sau primit acest produs? Spune si altora parerea ta.
Adauga o recenzie
Pentru a adauga o recenzie, va rugam sa va
autentificati
CADOURI GARANTATE
Cumpără de minim 250 RON și primești produse cadou din partea noastră.
SOLICITARE PUBLICARE SEAP/SICAP
Cont electrician
Avem plăcerea de a-ți prezenta programul nostru dedicat electricienilor, o oportunitate de a deveni partenerul nostru la
Materiale Electrice!
Odată intrat în acest program, te vei bucura de mai multe avantaje:
Reduceri exclusive. Prin înscrierea în programul nostru, vei avea acces la reduceri pentru majoritatea
produselor noastre. Acest lucru îți va permite să economisești o sumă substanțială de bani și să le oferi clienților tăi
preturi competitive. Lista de reduceri o poti vedea in contul tau -
https://www.materialeelectrice.ro/customer/electrician-discounts
Sistem avansat de ofertare către clientul final integrat în site. Iti oferim un sistem de ofertare
personalizabil pentru a facilita comunicarea cu clienții finali. Vei putea întocmi o oferta de preț cu preturile pe care
doresti sa le oferi clientilor tai. Ai libertatea de a stabili pretul final pe care doresti sa il oferi clientului tau ( pret
situat intre pretul oficial de site si pretul tau net de achizitie.
Program de loialitate. În cadrul programului de loialitate, vei acumula puncte în contul de electrician.
Aceste puncte vor putea fi ulterior folosite pentru a achiziționa alte produse sau pentru a reduce valoarea următoarei
comenzi. În acest fel, ești recompensat pentru achizițiile făcute de pe materialeelectrice.ro.
Punctele pot fii transformate in bani. În calitate de partener, vei putea factura catre noi contravaloarea
punctelor accumulate.
Activează contul de electrician în 3 pași simpli:
Pentru a putea avea un cont de electrician pe site-ul www.materialeelectrice.ro